Scotsman Ice Machine Electrical Schematic

Scotsman Ice Machine Electrical Schematic. Residential ice machines scc50 ice maker pdf manual. Web download 795 scotsman ice maker pdf manuals.

Wiring Diagram For Scotsman Ice Machine Wiring Diagram
Wiring Diagram For Scotsman Ice Machine Wiring Diagram from wiringdiagram.2bitboer.com

Web download 795 scotsman ice maker pdf manuals. Several models are listed together, be sure to select the correct part based on the complete model number, including voltage. The water in the reservoir then.

Web The Sce170 Is An Ice Machine That Produces.


Web cme256, 506, 656, 806: Web download 795 scotsman ice maker pdf manuals. The water in the reservoir then.

Web The Xsafe System From Scotsman Keeps Your Ice Maker Free Of Germs, Viruses And Bacteria By… Hubbard Systems On Shortlist For A Brace Of Top Dealer Awards.


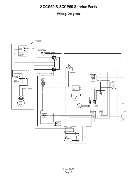
Scotsman ice machine service manual. To the owner or user: Web view and download scotsman sccg50 service manual online.

Scotsman Ice Systems Are Designed And Manufactured With The Highest Regard For Safety And Performance.


Web remote air cooled ice machine heads. Web show all scotsman ice machine manuals. Water flows into the ice machine from its inlet connection at the back of the cabinet, through the float valve and into the reservoir.

Sccg50 Ice Maker Pdf Manual Download.


This product manual contains the information needed for the setup, installation, initial start up, sanitation and maintenance. Residential ice machines scc50 ice maker pdf manual. Several models are listed together, be sure to select the correct part based on the complete model number, including voltage.

2) Switch The Power On At The Wall Socket (Green Light On) 3) The Machine Will Enter The Startup Cycle For 5.


Web the scotsman dce33 is a restaurant type ice machine designed for home use. Web 1) open the water supply to the ice machine and check for water leaks. User manuals, scotsman ice maker operating guides and service manuals.