Shark Intertek 4005850 Manual

Shark Intertek 4005850 Manual. Web shark intertek 4005850 manual >> read online download 360 shark vacuum cleaner pdf manuals. Shark customer service | official support & help center.

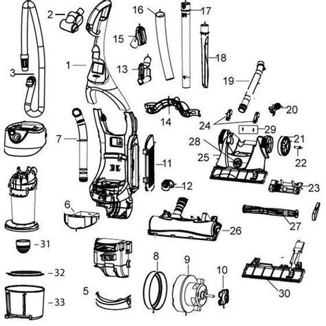
Which Is The Best Shark Upright Vacuum Intertek 4005850 Home Future
Which Is The Best Shark Upright Vacuum Intertek 4005850 Home Future from justyoumarket.com

This supports the following product skus nv500, nv500c, nv500co,. Shark customer service | official support & help center. This manual comes under the category vacuum cleaners and has been rated by 1 people with an.

Web Download Download Shark Intertek 4005850 Manual Read Online Read Online Shark Intertek 4005850 Manual Shark Helpline Shark Vacuum Warranty Shark Navigat…


Web view and download shark rotator nv400 series owner's manual online. We have 1 shark nv502 manual available for free pdf download: Web shark intertek 4005850 manual >> read online download 360 shark vacuum cleaner pdf manuals.

Web Shark By Product Types.


To locate your free shark manual, choose a product type below. Hard floor cleaning & irons; Shark customer service | official support & help center.

Shark Customer Service | Official Support & Help Center.


Web shark customer service | official support & help center; Download >> download shark intertek 4005850 manual read online >> read online shark intertek 4005850 manual. Manuals and user guides for shark nv502.

Web Shark Intertek 4005850 Manual Pdf Recipes Shark Intertek 4005850 Manual Pdf Recipes More About Shark Intertek 4005850 Manual Pdf Recipes Intertek Egg Cooker.


Web view and download shark navigator nv581 user manual online. This supports the following product skus nv500, nv500c, nv500co,. Rv2500ae / av2500 / ur2500sr series.

Rotator Nv400 Series Vacuum Cleaner Pdf Manual Download.


User manuals, shark vacuum cleaner operating guides and. Web shark nv750 series owner's manual rotator 1 2 3 4 5 6 7 8 9 10 11 12 13 14 15 16 table of contents 17 page of 17 go table of contents troubleshooting bookmarks. View the manual for the shark rotator vac mv3010 here, for free.