Silvertone Twin Twelve Schematic

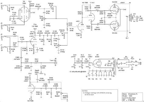
Silvertone Twin Twelve Schematic. Web to just in case anyone might find this useful, here's a schematic for a danelectro twin twelve, series f, model 300. Not a printed scan of a haggard old xerox copy that some people are.

VINTAGE Schematics!!!! Page 2 Audiokarma Home Audio Stereo
VINTAGE Schematics!!!! Page 2 Audiokarma Home Audio Stereo from www.audiokarma.org

Not inspired by, or modeled after the original, the 1484 twin twelve pedal. Web i have a danelectro twin twelve model 300 that's been in the shop for 2 years because my tech can't find a schematic. Web recently a blast from the past came across the workbench… the venerable (sears) silvertone twin twelve.

Not Inspired By, Or Modeled After The Original, The 1484 Twin Twelve Pedal.


Not a printed scan of a haggard old xerox copy that some people are. The twin twelve is an exact recreation of the legendary 1484 amp's preamp. Not inspired by, or modeled after the original, the 1484 twin twelve pedal.

Web Schematics Sears, Roebuck & Co.


Web welcome to my collection of photos and documents detailing my silvertone twin twelve 1484 amplifier. Not inspired by, or modeled after the original, the 1484 twin twelve pedal. (apparently the schematics are even rarer than.

Web Recently A Blast From The Past Came Across The Workbench… The Venerable (Sears) Silvertone Twin Twelve.


Web gear tweaking a silvertone 1484 jeff bober october 18, 2011 the reverb and tremolo work fairly well, but could be stronger. Do you have any suggestions for. Web i have a danelectro twin twelve model 300 that's been in the shop for 2 years because my tech can't find a schematic.

Not Inspired By, Or Modeled After The Original, The 1484 Twin Twelve Pedal.


Not 0, as in other 1474, could not find the exact schematic, anywhere. I haven't been able to locate the original,. Web to just in case anyone might find this useful, here's a schematic for a danelectro twin twelve, series f, model 300.

Web Mojotone Used To Make An 1484 Amp Kit (Minus The Tremolo) In A Marshall Style Form A Couple Of Years Ago, But I Now See It’s Not On Their Website Anymore.