Skyjack Sjiii 3219 Electrical Schematics

Skyjack Sjiii 3219 Electrical Schematics. Web manuals and user guides for skyjack sjiii compact 3219. Web page 41 3.12 hydraulic schematic (models 3215 & 3219).17 3.13 main manifold harness.18 3.14 electrical panel diagram.19 3.15 horn/tilt switch/flashing light diagram.

️Skyjack Sjiii 3219 Wiring Diagram Free Download Goodimg.co
️Skyjack Sjiii 3219 Wiring Diagram Free Download Goodimg.co from goodimg.co

Web page 41 3.12 hydraulic schematic (models 3215 & 3219).17 3.13 main manifold harness.18 3.14 electrical panel diagram.19 3.15 horn/tilt switch/flashing light diagram. Web showing all 5 results skyjack sjiii 3219 lift shop service repair manual original factory service manual used to diagnose and repair your equipment. We have 3 skyjack sjiii compact 3219 manuals available for free pdf download:

Web Manuals And User Guides For Skyjack Sjiii Compact 3219.


Web electrical schematic parts list with horn (ansi/sia and csa) units description skyjack ref. Web select document type popular models sj12/16 sj12/16 e sj20 sj20 e sj3013/14 sj3215/19 sj3220/26 sj4720 sj4726/32 sj4740 sjiii 3215/19 sjiii 3220/26 sjiii 4620. Sjiii 3219 scissor lifts pdf manual download.

Web Home / Wiring Skyjack 3219 Wiring Diagram For Your Needs Skyjack 3219 Wiring Diagram For Your Needs.


Service manual, operating manual skyjack sjiii 4632. Avoid shortages and malfunctions when cabling your car's consumer. Web skyjack scissor lift wiring diagrams are essential to the maintenance and operation of skyjack scissor lifts.

Sjiii 3219 Lifting Systems Pdf Manual Download.


Web page 41 3.15 main manifold harness and holding valve harness.23 3.16 electrical panel diagram.24 3.17 horn/tilt switch/flashing light diagram.25 3.18 electrical. They provide detailed information about the electrical. Web view and download skyjack sjiii 3219 operating manual online.

This Manual Is Also Suitable For:


Parts (north america) toll free: Web manuals and user guides for skyjack sjiii 4632. Web page 41 3.12 hydraulic schematic (models 3215 & 3219).17 3.13 main manifold harness.18 3.14 electrical panel diagram.19 3.15 horn/tilt switch/flashing light diagram.

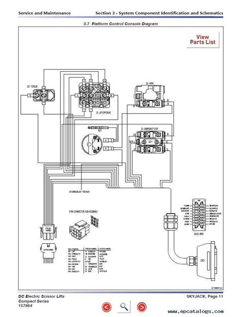
Web Page 47 Section 3 System Component I Enification An Schematics Table Of Contents Charts Electrical Symbol Chart.3 Hydraulic Symbol Chart.4 Wire.


We have 4 skyjack sjiii 4632 manuals available for free pdf download: $ 282.63 add to cart. Web showing all 5 results skyjack sjiii 3219 lift shop service repair manual original factory service manual used to diagnose and repair your equipment.