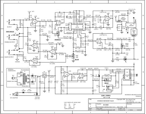
Stereo Memory Man Schematic

Stereo Memory Man Schematic. The main output has both the dry and wet (echo). Trace of eh 7811b with led and 1983 pots.

Jefs Tube Amp Blog Stereo Memory Man
Jefs Tube Amp Blog Stereo Memory Man from leightonamplifiers.blogspot.com

I have an example with. Web modern memory man pedals began with the reissue of the last versions of the 5 knob (deluxe memory man) and 3 knob (stereo memory man). This version of the memory man appears to be unique in how it uses an effect cancel scheme instead of a typical bypass.

I Have Not Seen A Factory Schematic For This Variation Of The Memory Man, But The Eh 7811B Schematic Should Be A Close Enough Guide.


I googled around but couldn't find one. The main output has both the dry and wet (echo). Web eh 7811 gave the memory man stereo output.

September 5, 2014 At 12:37 Pm #83634.


Web 30 second stereo looper with continuous overdubbing, reverse, speed adjust and tempo only adjust; Up to 3 seconds of stereo echo with adjustable reverberant washes; Web see factory schematic below.

Can Someone Share The Vintage Stereo Memory Man’s (Chorus/Echo) Scematics?.


Stereo memory man question « reply #1 on: Web diy tips home » ehx stereo memory man ehx stereo memory man download schematic file type: Web the stereo memory man with hazarai (smmh) is a digital delay pedal with three turn the hazarai knob so that the top led is lit:

Web Stereo Memory Man [Schematic] All About Modern Commercial Stompbox Circuits From Electro Harmonix Over Mxr, Boss And Ibanez Into The Nineties.


April 22, 2008, 11:45:56 pm » it goes on and off when the effect is switched in or out. Page 2 recording a loop multi. Web electro harmonix stereo memory man schematic above:

How Can A Mono Signal Become Stereo?


That being said it one wire from the power. Web repairing what i believe is a 90s era stereo memory man having problems finding a schematic that matches up. I have an example with.