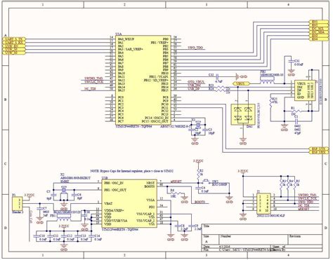
Stm32 Nucleo F446Re Schematic

Stm32 Nucleo F446Re Schematic. Manuals and user guides for st stm32 nucleo. Web the stm32 nucleo board provides an affordable and flexible way for users to try out new concepts and build prototypes with the stm32 microcontroller, choosing from the various.

NUCLEOF446RE STM32F446RET6 Arduino STM32 Nucleo mbed Board with ST
NUCLEOF446RE STM32F446RET6 Arduino STM32 Nucleo mbed Board with ST from www.logicware.com.au

Web the stm32 nucleo board provides an affordable and flexible way for users to try out new concepts and build prototypes with the stm32 microcontroller, choosing from the various. Web st stm32 nucleo manuals. This product is part of the stm32 nucleo family of products.

This Product Is Part Of The Stm32 Nucleo Family Of Products.


Web the stm32 nucleo board provides an affordable and flexible way for users to try out new concepts and build prototypes with the stm32 microcontroller, choosing from the various. Web st stm32 nucleo manuals. We have 21 st stm32 nucleo manuals available for free pdf download:

Manuals And User Guides For St Stm32 Nucleo.