Supro Blues King 8 Schematic

Supro Blues King 8 Schematic. Web 40 rows supro tube amp schematics, hoffman amps tube amp schematic library. Web this could be a really cool amp and easily be marketed as an amp designed for low volume use in a retro package, not unlike say a tweed blues junior.

Combo ampli guitare électrique Supro Blues King 8
Combo ampli guitare électrique Supro Blues King 8 from www.stars-music.fr

Web intro track #supro #deltaking supro delta king 8: Web this could be a really cool amp and easily be marketed as an amp designed for low volume use in a retro package, not unlike say a tweed blues junior. Web the blues king 12 combo captures the vintage supro amp tone that helped sculpt the sound of early electric rock n' roll and the british invasion of the 1960s.

Perfect For Practice And Recording!


True to the supro sound, it features a. 14,268 views sep 8, 2021 259 dislike share living room gear demos 101k subscribers Web 40 rows supro tube amp schematics, hoffman amps tube amp schematic library.

Note It’s The Same Amp As The.


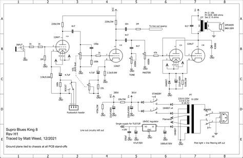
Web in case someone might need it, here’s a schematic for the supro blues king 8 combo amp. Web the blues king 12 combo captures the vintage supro amp tone that helped sculpt the sound of early electric rock n' roll and the british invasion of the 1960s. Web intro track #supro #deltaking supro delta king 8:

Web This Could Be A Really Cool Amp And Easily Be Marketed As An Amp Designed For Low Volume Use In A Retro Package, Not Unlike Say A Tweed Blues Junior.


I was given one of these and traced it (most of it) for fun. Web the blues king 8 isn’t really suitable for gigging, but for straightforward, decent valve sounds for practice or recording, this is one of our favorites. Web 1x 12ax7 preamp tube 1x 12au7 power tube footswitch and nylon cover also available the blues king 8 amplifier retails at $299 usd.