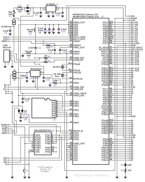
Teensy 3.6 Schematic

Teensy 3.6 Schematic. Most of the world's semiconductor fabs are focusing on. Teensy usb board, version 3.2.

Teensy 3.6 — Cool Components
Teensy 3.6 — Cool Components from coolcomponents.co.uk

Web this is the latest version pcb (v0.8) schematic, there is an extra position for a second microphone amplifier to make it easier to experiment with an additional microphone element to play with stereo reception. This audio adaptor lets you easily add high quality 16 bit, 44.1 khz sample rate (cd quality) audio to your projects with teensy 3.0, 3.1, 3.2, 3.5, 3.6 (rev c), or 4.0, 4.1 (rev d, d2). Schematics are how one works with electronics.

Web The Teensy Line Is A Collection Of Microcontrollers From Pjrc Based Around Several Different Powerful Ics.


Pjrc recommends use of teensy 4.0 / 4.1 for new projects. We do not believe supply of chips for teensy 3.x is likely to ever fully recover. These chips are made with 90 nm silicon process.

Not Recommended For New Designs Or Projects.


Web kicad files to make a custom teensy 3.5 or 3.6, based on the official teensy schematics. The teensy 3.1, the teensy++ 2.0, and the teensy lc. This basic getting started guide will help you start using the teensy that's best for your project.

Teensy Usb Board, Version 3.2.


Schematics are how one works with electronics. Web eagle schematic for cs42448 codec + teensy 3.6 (with passive filters) based on discussion from pjrc forum about circuit described here. In other words, it has an onboard programmer and debugger.

Web The Teensy 3.6 Development Board Is Merely One In A Family Of Teensy Boards Produced By Pjrc.


There are two symbols for teensy 3.5/3.6: This audio adaptor lets you easily add high quality 16 bit, 44.1 khz sample rate (cd quality) audio to your projects with teensy 3.0, 3.1, 3.2, 3.5, 3.6 (rev c), or 4.0, 4.1 (rev d, d2). The older versions can be used with teensy 4.0 by wires or an adaptor pcb.

Reference Pcb Available From Oshpark Project.


This is the v0.7 schematic, the audioboard is integrated, as well as charger circuit and protection. Web originally posted by chipaudette. There are schematics for the other teensies (though i wish it also showed the pcb layout) and i look forward to having the schematic for the teensy 3.5/3.6.