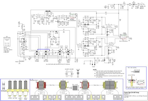
Texas Star 667V Schematic

Texas Star 667V Schematic. The main reason for the driver. I have used three meters and get three totally different readings.

TEXASSTAR TEXASSTAR DX667V Service Manual download, schematics
TEXASSTAR TEXASSTAR DX667V Service Manual download, schematics from elektrotanya.com

This rig is powered by one (1) 2sc2290 transistor driving four (4) 2sc2879 transistors. Dead or alive.texas star 667v. Web the schematics are best if printed on 11x17 (b size) paper.

Texas Star Dx 1600 Schematic.


The main reason for the driver. This rig is powered by one (1) 2sc2290 transistor driving four (4) 2sc2879 transistors. Dead or alive.texas star 667v.

Of Course We Took It Farther Then That.


Web does anybody have any info on the directions and/or the schematics for removing the driver stage transistor in the texas star 667v, making it a straight 4 pill?. Cobra 148gtl & texas star 667v; Second attempt at getting help.

Schematics For Texas Star 667.


Web i was thinking of buying the texas star 667 to use on the 11 meter band.and ive been hearing that you need to get them converted to 11 meter.how is this done? They can be printed on 8.5x11 by clicking shrink oversize pages to paper size. Web texas star 667v turbo major repair on a trace.

See Section Notes For More Infomation.


Web the texas star 667 is a 1 driving 4 amp, which means it likes to be driven with a stock radio with a lowered deadkey. Web let's take a look at the texas star 667v. Cobra 148gtl & texas star 667v;

Click To Find The Best Results For Texas Star 667V Models For Your 3D Printer.


Texas star really showed their ability to survive in th. Web 1919 texas star 667v 3d models. It has 2xirf520 mosfets driving 4xdei2879 transistors.