Tone King Imperial Schematic

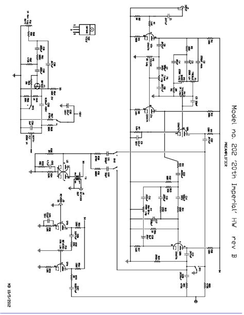
Tone King Imperial Schematic. Web #1 just about to pull the trigger on a regular version of the imperial but just found out they are pcb not ptp. Web there is only one tone king schematic out in the public, and it is for the imperial mkii.

Tone King Imperial
Tone King Imperial from valvetubeguitaramps.com

The imperial was the very first production model built by tone king. Page 2 thank you for choosing the imperial mk ii guitar amplifier. This is a good discussion about his changes and.

Web #1 Tone King Imperial Schematic?


Page 1 tone king “imperial mk ii” user’s manual tone king amplifiers www.toneking.com mail@toneking.com note from the builder. The imperial is a different kind of amp to some extent, and i see no. Web the bass pot is reverse wired on the schematic for sure 2.

As I Understand And Experienced With Pcb Amps.


Web view and download tone king imperial mk ii user manual online. I have never seen the schematic for the imperial. Web summary of contents for tone king imperial mk ii.

Web Wiring Tone King Imperial Schematic December 22, 2017 A Fine Perspective Of How A Wiring System Works Is Important Conversancy When You Install Any.


Web i think my amp tech has an official schematic for it. The imperial was the very first production model built by tone king. Web the tone king imperial was designed by mark bartel and is based on the fender deluxe reverb design but with some notable tweaks..

Bartel Has Tweaked The Circuits Over The Years.


To avoid a lot of wires crossing the triodes of v1 should be swapped. Web there is only one tone king schematic out in the public, and it is for the imperial mkii. Page 2 thank you for choosing the imperial mk ii guitar amplifier.

Imperial Mk Ii Musical Instrument Amplifier Pdf Manual Download.


Web #1 just about to pull the trigger on a regular version of the imperial but just found out they are pcb not ptp. Web download tone king 20th imperial sc200hb rev.b sch,pdf sch service manual & repair info for electronics experts I had the schematic for the imperial mkii, but it is locked in an.