Treadmill Motor Controller Schematic

Treadmill Motor Controller Schematic. Web reebok zr9 treadmill motor control board schematic fletcher dec 6, 2019 search forums new posts 1 2 a abzee joined dec 6, 2020 4 dec 6, 2020 #21. Therefore, it ensures the treadmill still consistently moves even at low speeds.

Treadmill Motor Speed Controller Circuit Homemade Circuit Projects
Treadmill Motor Speed Controller Circuit Homemade Circuit Projects from www.homemade-circuits.com

Web i have assembled a controller to run a treadmill motor at slow speed, forward or reverse (for a table lift mechanism). A simple diy dc treadmill motor controller to use on workshop equipment. The motor controller runs the motor at the speed you select at the console.

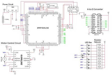
Web I've Attached My Schematic, Along With The Schematics For The Power Circuitry From Three Treadmill Controller I Salvaged (As A Pdf), And A Cropped Version Of A.


Web i have assembled a controller to run a treadmill motor at slow speed, forward or reverse (for a table lift mechanism). Web motor controller board model# mlh0910pc and its driving dc90 volts 20am motor, i can also see a mcu on motor controller its r5f212k. Web this is a description of the pf906 treadmill dc motor controller and partial schematic to assist with learning, repairs, or modification to use it for other.

Web 84K Views 3 Years Ago.


Web this diy repair guide explains how to replace the motor controller on a treadmill. Web the treadmill motor control board schematic outlines the components and their connections to regulate the speed and direction of a treadmill motor. It uses an arduino to control an mc60.

Web The Circuit Also Has Control Of Output Voltage;


How to diagnose treadmill power supply problems.treadmill board's important compone. The motor controller runs the motor at the speed you select at the console. Web in this video i will explain how to repair treadmill motor control board.

A Simple Diy Dc Treadmill Motor Controller To Use On Workshop Equipment.


Web reebok zr9 treadmill motor control board schematic fletcher dec 6, 2019 search forums new posts 1 2 a abzee joined dec 6, 2020 4 dec 6, 2020 #21. Therefore, it ensures the treadmill still consistently moves even at low speeds. Below is the schematic diagram of the treadmill.