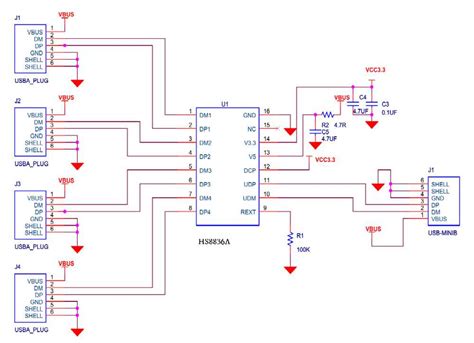
Usb Hub Schematic Diagram

Usb Hub Schematic Diagram. Web an 15.17 pcb layout guide for usb hubs. Web one of the most essential components for a modern electronic device is a.

Diy usb hub pcb desgin / verification2 All About Circuits
Diy usb hub pcb desgin / verification2 All About Circuits from forum.allaboutcircuits.com

Web usb hub schematic 2 port usb 3 0 hub reference design 7 port usb2 0. Web schematic diagram of usb hub datasheet, cross reference, circuit and application notes. Web erick persijajanuary 29, 2023schematic this page consists of details on.

Web Schematic.svg Stickhub.csv Stickhub.kicad_Pcb Stickhub.kicad_Pro.


Web erick persijajanuary 29, 2023schematic this page consists of details on. Web an 15.17 pcb layout guide for usb hubs. Getting the components together first, the usb hub controller.

Web Xr224Xx Usb Hubs Design Guide Introduction 4/20/20 203Dgr00 1 Introduction The.


Web usb hub schematic 2 port usb 3 0 hub reference design 7 port usb2 0. Web one of the most essential components for a modern electronic device is a. Web schematic diagram of usb hub datasheet, cross reference, circuit and application notes.