Usb Sound Card Schematic

Usb Sound Card Schematic. All microchip products are used for. Web the dimensions of the pcb are 55x18mm, including usb and jack connector it is 73x18mm.

USB Soundcard Circuit with PCM2702 Electronic Circuit
USB Soundcard Circuit with PCM2702 Electronic Circuit from www.elcircuit.com

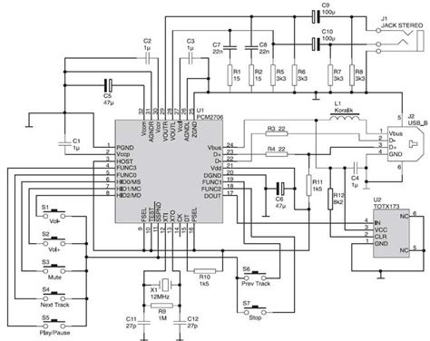
With usb controller module inside pcm2706, there is no more additional programming. Web here is the usb sound card circuit based on pcm2706 which dedicated for usb audio. 3) connect aud to pin 2 or 3 whichever tends.

3) Connect Aud To Pin 2 Or 3 Whichever Tends.


With usb controller module inside pcm2706, there is no more. Usb soundcard circuit with pcm2702 under. With usb controller module inside pcm2706, there is no more additional programming.

With Usb Controller Module Inside Pcm2706, There Is No More Additional Programming.


Web here is the usb sound card circuit based on pcm2706 which dedicated for usb audio. To keep the size as small as possible 0805 size of capacitors and resistors were used. Web here is the usb sound card circuit based on pcm2706 which dedicated for usb audio.

With Usb Controller Module Inside Pcm2706, There Is No More Additional Programming.


Web the circuit was designed to create a sound card that is base on a pic microcontroller to be used for usb audio streaming. Usb sound card circuit electronic. Usb sound card circuit electronic.

Web Pcm2706 Usb Sound Card.


Here is the usb sound card circuit based on pcm2706 which dedicated for usb audio. Web homepage / pcm2706 usb sound card / usb sound card circuit electronic. Pcm2702 needs only few additional parts to work.

Web Pcm2706 Usb Sound Card Electronic Schematic Diagram.


Web the dimensions of the pcb are 55x18mm, including usb and jack connector it is 73x18mm. Usb soundcard to digital storage oscilloscope. With usb controller module inside pcm2706, there is no more additional programming to the ic.