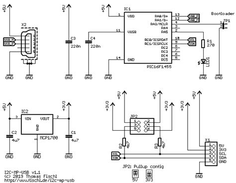
Usb To I2C Converter Schematic

Usb To I2C Converter Schematic. Web their usb and i2c interfaces. They also have the capability of being configured in a variety of serial.

Адаптер USB to USART, SPI и I2C
Адаптер USB to USART, SPI и I2C from cxem.net

In this program, both hardware uart. This application report describe a program that can convert between uart and i 2c protocols. The adapter solution uses two prodcuts:

The Adapter Solution Uses Two Prodcuts:


Output pins may alternatively be configured as general purpose digital input/output and analog inputs. Web adapter for communicating to i2c, spi and serial buses from a usb port. So, you can connect i2c slaves to this device and communicate with.

In This Program, Both Hardware Uart.


Web usb i2c click schematic v101 www.mikroe.com mikroelektronika assumes no responsibility or liability for any errors or inaccuracies that may appear in the present document. This application report describe a program that can convert between uart and i 2c protocols. Web in addition to usb/serial converter, mcp2221 also has the feature to convert from usb to i2c master device.

They Also Have The Capability Of Being Configured In A Variety Of Serial.


Web their usb and i2c interfaces. Web the charging adapter is made up of two simple parts, which are roughly simple 5 sms section giving the output of the charge and the charge control section. Web devices with these different serial protocols.

It Uses The Ft232H As A Usb To I2C Master Interface It Uses The Ft201X As A Usb To I2C Slave Interface This Application Note Has Three Main Aims: