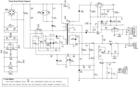
Vizio Power Board Schematic

Vizio Power Board Schematic. The problem with it is that it is not powering on. Web vizio power board or service manual mountaindew jul 6, 2015 not open for further replies.

Vizio 056.04198.0041 Power Supply Board Short Circuit Solution
Vizio 056.04198.0041 Power Supply Board Short Circuit Solution from shortcircuitsolution.com

May 5, 2022 options dead tv. The problem with it is that it is not powering on. Jul 6, 2015 #1 m mountaindew newbie level 1 joined jul 6, 2015.

Web 10K Views 5 Years Ago.


Vizio gv42l service manual buy. Web vizio service manuals and schematics. Jul 6, 2015 #1 m mountaindew newbie level 1 joined jul 6, 2015.

May 5, 2022 Options Dead Tv.


It was the only capacitor to have any type of bulge, and it was a very minor bulge at that. • when connected to a power outlet, power is. Vizio l37 service manual / schematics buy.

For More Information, Contact Your Dealer.


Your “usb chips fried by surge “ those are on the main. Press ctrl+f in your browser to search for model. Web vizio power board or service manual mountaindew jul 6, 2015 not open for further replies.

Web Electronics Service Manual Exchange :


The problem with it is that it is not powering on. Web • the power cord must be replaced when using different voltage than the voltage specified. Web the vizio support homepage provides the latest trending support topics and support videos, user manuals, product registration, along with tech specs and troubleshooting.