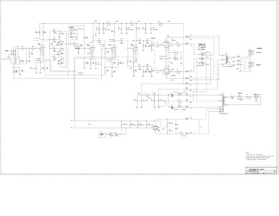
Vox Night Train 50 Schematic

Vox Night Train 50 Schematic. Web view and download vox night train 50 owner's manual online. Manuals and user guides for vox night train 50.

Vox night train 50 manual
Vox night train 50 manual from ashleylangford.net

Read or download the pdf for free. Web search in title one search in schematic requests no. The night train nt50h puts 50 watts of vox tonal goodness into a lightweight amp head you can carry anywhere.

Web Vox Nt 15 Night Train Schematic.


If you want to contribute, please mail your. Help me to keep this site with no boring ads!. Night train 15c1 musical instrument amplifier pdf manual download.

Web View And Download Vox Night Train 15C1 Service Manual Online.


The footswitchable bright and girth channels cover the complete tonal spectrum. The amp sound fuzzy and aggressive, and sometimes it's fun to play cranked. Read or download the pdf for free.

The Night Train Nt50H Puts 50 Watts Of Vox Tonal Goodness Into A Lightweight Amp Head You Can Carry Anywhere.


Had this amp for a week to draw the schematic. This is the 1 pages manual for vox nt 15 night train schematic. Manuals and user guides for vox night train 50.

Web Search In Title One Search In Schematic Requests No.


Web night train 50 number. I got to poke around one of these recently also. We have 1 vox night train 50 manual available for free pdf download:

Web Vox Night Train 50 Schematic Attached.


Get that vox sound, at a great price! Attached files vox_night_train_nt15h.pdf (47.7 kb, 1055 views) dmeek senior member join date:. The tone control was located within the phase inverter circuit.