Vox Night Train Nt15H Schematic

Vox Night Train Nt15H Schematic. This is the 1 pages manual for vox nt 15 night train schematic. Web specifications night train 15h g2 power output:

Vox Lil' Night Train schematic and mods Marshall Amp Forum
Vox Lil' Night Train schematic and mods Marshall Amp Forum from www.marshallforum.com

Speaker enclosure the nt15h night train head included. Search for videos 🎬 audios 🎵 ebooks 📚 mobile apps 📱 archives. Web vox nt 15 night train schematic.

The Nt Is Cathode Biased And Should Be Able To Work With A Simpler Arrangement (Simpler Even Than The One Drawn Out.


As a 15 watt amp, it sounds like it should. Night train 15c1 musical instrument amplifier pdf manual download. Read or download the pdf for free.

Contact Vox And Ask For It.


Web vox nt 15 night train schematic. This is the 1 pages manual for vox nt 15 night train schematic. Search for videos 🎬 audios 🎵 ebooks 📚 mobile apps 📱 archives.

Web Specifications Night Train 15H G2 Power Output:


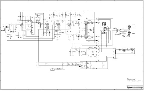
Web the nt15h night train circuit featured an all tube audio path that included two 12ax7 preamp tubes and two el84 output tubes. Owner's manual for vox mini3 g2 amplifiers. If you want to contribute, please mail your.

15 Watts Rms Into 8 Or 16 Ohm Dimensions (W X H X D):


Speaker enclosure the nt15h night train head included. 370 x 155 x 180 mm (14.57 x 6.10 x 7.09 inches) weight: The circuit design for the nt15h was a.

15 Watts Rms Into 8 Ohm Or 16 Ohm Tube Complement:


Web that's only required for a fixed bias amp. There is no schematic and no parts list there. Web view and download vox night train 15c1 service manual online.