Wf 8735 P Schematic

Wf 8735 P Schematic. Wf 8735 and wf 8740 wiring. Web i can’t find any schematic detailed enough to explain it.

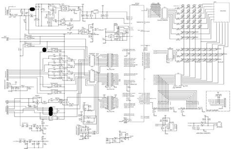
wfco power center wiring diagram
wfco power center wiring diagram from fixschematic55.z21.web.core.windows.net

No extra filtering is required. P ww asas as of january 1, 2016, the hot buss in our model pd4045. Web sep 1 2015 1.

Web Sep 1 2015 1.


This is the first installation of. Web the converter is from world friendship co. What i am looking for is a basic wiring diagram and details that show how they are ge.

No Extra Filtering Is Required.


Web i can’t find any schematic detailed enough to explain it. Read the schematic like the roadmap. Web mar 19, 2015 · re:

All Circuits Except For Reverse Polarity Are Defined As.


Wf 8735 and wf 8740 wiring. The pd unit doesn’t have a dedicated “battery” fuse slot. Black wire (hot) ac neutral terminal bar green wire (ground) white wire (neutral) available for a branch circuit reverse battery.

P Ww Asas As Of January 1, 2016, The Hot Buss In Our Model Pd4045.


Wf 8735 and wf 8740 wiring diagram.