Whammy Headphone Amp Schematic

Whammy Headphone Amp Schematic. Web you can use headphones with most amps. Currently the transformers that fit the board are available at digikey.

"WHAMMY" Pass DIY headphone amp guide diyAudio
"WHAMMY" Pass DIY headphone amp guide diyAudio from www.diyaudio.com

Hiflying9 the thread creator here posted some. Web you can use headphones with most amps. Web 25va 22v+22v is best and used in this guide.

This Is A Headphone Amplifier With An Integrated Dac (Khadas Tone Board).


Web a class a output set with enough current to drive anything. Web 25va 22v+22v is best and used in this guide. Web pluged into preamout of bat vk50se (best solution) max volume on whammy and use the volume knob on the bat for adjustment.

Web You Can Use Headphones With Most Amps.


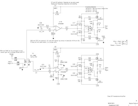
Web step 1 — schematic this is the schematic step 2 — pcb the green pcb shown here and used throughout this guide is a revision 3, the latest version, identifiable by the pads near. Are all the down facing black arrows common ground? Currently the transformers that fit the board are available at digikey.

About The Amp Circuit I Choose To Build The Amp Is Built Using Op Amp 5532.


Hiflying9 the thread creator here posted some. Simplest way is a simple series resistor in each channels feed to the headphone. This also makes adenine fantastic line stage with about 14db of gain.

Web I'm Planning On Building The Whammy Headphone Amplifier And Have Been Going Over The Guide And Schematic Provided.


It states the following if you are going to. Amgis 6663, 6664 / amveco 70053. I got interested in the project after finding the pcb on the diyaudio store.

Web Whammy Schematic Symbols I'm Trying To Understand The Whammy Schematics.


Web whammy headphone amplifier. Web i have no desire to try any other op amps in my whammy now but it would be nice to have a whammy board layout that would allow using single channel discrete. Sound quality is normally fine,.