Whirlpool Ice Maker Schematic

Whirlpool Ice Maker Schematic. Web mounting the ice maker 8. Amana icemaker tip appliance aid.

Whirlpool Refrigerator 6D25DIXHT02. Ice maker makes ice but wont
Whirlpool Refrigerator 6D25DIXHT02. Ice maker makes ice but wont from www.justanswer.com

409.2k 10 335 1.4k posted: Web a whirlpool ice maker wiring schematic is an essential tool for anyone attempting to install or repair an ice maker. Connect the compatible jumper harness to the ice maker wiring harness.

Ice Maker And Water Valve Not Original Equipment On All Models.


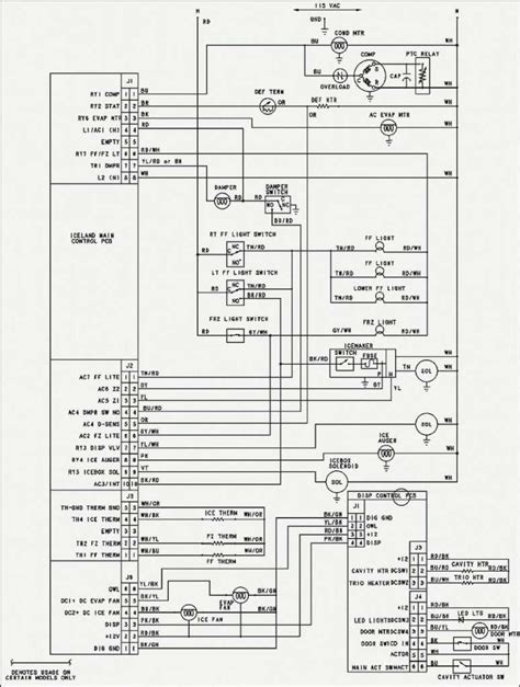
Web item description part number 1 ice maker d7824703 2 ice maker cover 10519801 35/8 long sheet metal screw (to secure ice maker) m0211118 4 stainless steel clip b5720302. Web shows the internal wiring and jumper points for energizing various components in and around the ice maker. Web most helpful answer jayeff @jayeff rep:

Do Not Try To Manually Start Cycle.


Ice maker cycle must be initiated electrically. Web is the ice maker jammed? Connect the compatible jumper harness to the ice maker wiring harness.

409.2K 10 335 1.4K Posted:


View the whirlpool wrb329dmbm manual for free or ask your question to other whirlpool wrb329dmbm owners. Aug 26, 2021 options hi, here’s the tech sheet for the refrigerator. Ice maker learn more in an effort to conserve natural resources, this ice maker includes a condensed user guide.

Web Fixed Wrs571Cidm01 Ice Maker Wiring Broken At Door Applianceblog Repair Forums.


Remove jammed ice from the ejector arm using only a plastic utensil so the ice. Amana icemaker tip appliance aid. A complete user guide can be.

Open 7 Days A Week.


It shows how to get into the. Open 7 days a week. Web a whirlpool ice maker wiring schematic is an essential tool for anyone attempting to install or repair an ice maker.