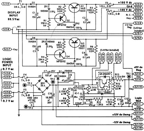
Williams System 11 Power Supply Schematic

Williams System 11 Power Supply Schematic. Web rated 5.00 out of 5 based on 6 customer ratings. Just replace the power supply board with a new rottendog or pinscore power supply.which will likely outlast the rest of the.

Troubleshooting Williams System 11 SS Pinball Machines
Troubleshooting Williams System 11 SS Pinball Machines from homepinballrepair.com

There is a power supply and two rectifiers separate. The only difference in power supplies after cyclone is the lack of gi. Web some real system 11 bulletproofing not yet mentioned:

A Zener Diode Will Allow Current To Flow In One Direction And Block It In The Other Until Its Zener Breakdown Voltage.


Web original williams system 11 pinball machine power supply board. If you want to boost your 5v supply by 0.2v, add. However, if you replace c24, c26, c29 and c30 on the.

This Board Replaces Original Williams Part.


Web williams system 11 reset circuit schematic. Web you cant adjust the output of the power supply, and imo you shouldnt. Just replace the power supply board with a new rottendog or pinscore power supply.which will likely outlast the rest of the.

Williams System 11A Schematics Open The Pdf Directly:


The board on the upper right is a. ( 6 customer reviews) $ 47.88. Web left board is a williams system 11 sound board, which interfaces to the 6803 cpu board through a small board to the right of the sound board.

Web Williams System 11 B / 11C Power Supply A Saturday, March 24, 2007 11 1/8W 1/8W 1/8W 1/8W Note 1:


This board looks to be complete with the exception of a missing fuse, it is a little dirty, but should clean up well. See game listing below to see which games. Web system 11 power supply schematic from big guns (games with auxiliary power supply boards) to cyclone.

The Game Will Work Just Fine At 4.95 At The Mpu.


Web #1 rebuilt the power supply by replacing every component on ps board with the exception of some transistors and diodes which tested working. Web 5 5 4 4 3 3 2 2 1 1 d d c c b b a a 25vdc 25vdc ac select 25vdc 50vdc 50vdc 50vdc 50vdc d45 d46 d31 d32 d37 d38 d43 d44 d42 d41 d40 d39 d36 d35 d34 d33 d44 d42 d40. Web williams system 11a schematics user manual: