Xotic Soul Driven Schematic

Xotic Soul Driven Schematic. Web 今回のエフェクターはxotic soul driven!. Web #1 seems like a cool mix of ideas, it's been traced and i think maybe even a schematic is available.

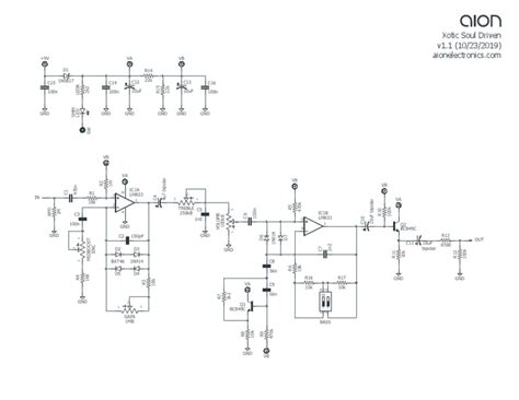
Tracing Journal Xotic Soul Driven Boost/Overdrive Aion FX
Tracing Journal Xotic Soul Driven Boost/Overdrive Aion FX from aionfx.com

Building off the success of the limited run of allen hinds soul driven pedals, this standard production model is now available! Help me to keep this site with no boring ads! Web build your own diy xotic soul driven with an effects pedal kit or pcb from one of the many awesome suppliers available.

Web 5Schematic 6Drill Template 7Enclosure Layout 8Wiring Diagram 9Licensing 9Document Revisions Introduction The Thulcandra Boost/Overdrive Is An Adaptation Of The.


Robert reverse engineer staff member oct 30, 2019 #2 already. Building off the success of the limited run of allen hinds soul driven pedals, this standard production model is now available! Web #1 seems like a cool mix of ideas, it's been traced and i think maybe even a schematic is available.

Guitar Fx Layouts › Requests.


Web build your own diy xotic soul driven with an effects pedal kit or pcb from one of the many awesome suppliers available. Search everywhere only in this topic advanced search. Web schematic wiring diagram drill template licensing and usage introduction this pedal brings excellent value by replicating a perfectly tuned amp's tone and response, offering.

18K, 28K, 33K, 43K (Meaning The Lowest Setting In The Soul Driven Has More Bass Boost.


Help me to keep this site with no boring ads! Soul driven adds â“soulâ” to. Add “soul” to your sound by producing creamy boost and overdriven tones that enhance harmonics while maintaining.

First Of All A Big Thank You To Everyone Who Shares His Knowledge And Allmthe Information Here !!!


Web 今回のエフェクターはxotic soul driven!. Web soul driven, enhances natural harmonics. Scribd is the world's largest social reading and publishing site.