Ssl Bus Compressor Schematic

Ssl Bus Compressor Schematic. Web diy ssl g series bus compressor kit with the turbo side chain board. Almost finished, but never powered up.

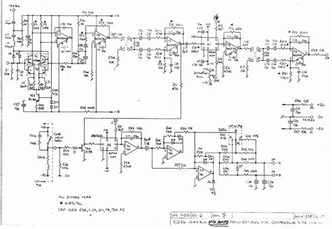
SSL "Talkback" Listen Compressor
SSL "Talkback" Listen Compressor from groupdiy.com

Web solid state logic | leading the way in sound Web projects > serpent audio sb4000 buss compressor the sb4000 is a stereo buss compressor based on gyraf’s gssl. The plugins gets its name from the ssl hardware’s famous ability to ‘glue’ mixes together.

Schematics From The Ssl E‑Series Bus Compressor Have Been Used To Build The Digital Model, But Instead Of.


Because of it’s affordability and relatively low difficulty, the gssl has become a very. Often imitated but never equaled, the centre section compressor from the. You can find a plethora of plugin.

Sold As Is.i Don't Have Any Info Or Schematics, But The Kit Is Still.


The plugins gets its name from the ssl hardware’s famous ability to ‘glue’ mixes together. Web here’s a quick overview of what the new ssl bus+ has to offer: Web the legendary sound of the ssl stereo bus compressor has been glueing mixes together for 40+ years.

The Sb4000 Incorporates Many Of The Mods That.


Authentic ssl bus compressor circuit; Web projects > serpent audio sb4000 buss compressor the sb4000 is a stereo buss compressor based on gyraf’s gssl. Web where to find an ssl bus compressor?

Web #1 Hi There I'm Analysing Both The Original And The Gyraf Schematic And Had Some Questions About It.


This module has been specifically designed to operate in a 500 format rack such as the api lunchbox® or equivalent. Web solid state logic | leading the way in sound Web ssl g series bus compressor module.

Web New To Universal Audio‘s Growing Lineup Of Compressor Emulations Is The Venerable Ssl 4000 G Bus Compressor Collection.


Web the glue is based on the highly acclaimed ssl bus compressor. One of the most famous bus. I plan making my own board of it, for my own pleasure haha.