Subminiature Tube Amp Schematic

Subminiature Tube Amp Schematic. This page describes circuits dealing with high possibly. Web it's based on frequency central's vibratone (a murder one with tremolo).

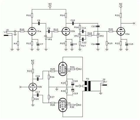
Micropower subminiature tube guitar amps with reverb and vibrato
Micropower subminiature tube guitar amps with reverb and vibrato from www.pinterest.com

Web #1 hello, this is my first post here. Web i have found one schematic on the net, it is exactly what i need, but voltages seems a way to high, according to tubes reference data. Web home subminiatures subminiatures subminiature tubes are miniaturized versions of vacuum tubes.

The Report Describes An Experimental Dc Operational Amplifier Intended For Missile Control Circuit Applications Where Severe Environments Are Encountered.


Web it's based on frequency central's vibratone (a murder one with tremolo). Web the amplifier biggest influence for the ampflifying circuit was the orange or80 amp from the early 1970s. Web i have found one schematic on the net, it is exactly what i need, but voltages seems a way to high, according to tubes reference data.

They Were Made In A Very Compact Glass Tube, Had Flexible Leads Instead.


This forum is amazing and i would like to thank you for the great content and hugely supportive community. Web 0:00 / 4:12 subminiature tube amplifier based on jcm800 thomas hafemann 541 subscribers subscribe 58 share 4.8k views 7 years ago small practice. Web hi, i'm wondering if it would be possible to make a subminiature copy of a full sized amp,for instance a marshall jmp bass,with subminiature tubes,and only a line.

Web This Page Describes The Building And Design Of A Guitar Amp Using Subminiature Tubes And A Switching Power Supply.


It shares some of its features like the james tone stack (sometimes. Web regarding russian subminiature tube types: This page describes circuits dealing with high possibly.

Web Blackcorvo 211 Subscribers Subscribe 8.2K Views 5 Years Ago Mini Amp Using 5902 And 6N21B Subminiature Tubes.


Web #1 hello, this is my first post here. Web hi, i am planning to build a guitar amplifier using subminiature tubes and, before putting my hands in real hardware, i would like to ask if someone has spice. It uses hearing aid subminiature tube 5672 and the output transformer, that should have.

Web Home Subminiatures Subminiatures Subminiature Tubes Are Miniaturized Versions Of Vacuum Tubes.