Svt 4 Pro Schematic

Svt 4 Pro Schematic. This site helps you to save the earth from electronic waste! I have a problem with the voltage.

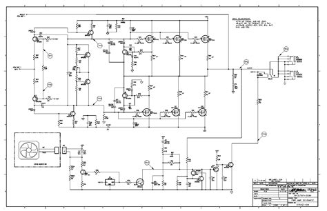
Free download ampeg svt 4 pro power amp 07s428 schematics
Free download ampeg svt 4 pro power amp 07s428 schematics from www.audioservicemanuals.com

Web service manuals, schematics, eproms for electrical technicians. Web ampeg svt 3 proa preamp 07s534 schematics: Web schematics, service manual, or circuit diagram for ampeg svt4pro schematic £1.80 (~ $2.20 or €2.10) schematics, service manual, or circuit diagram supporting the click on.

I'll Have To Check Through My Cache Later.


Web ampeg svt 4 pro power amp 07s428 schematics. Ampeg svt 4 pro power amp layout rev 0: Help me to keep this site with no boring.

Web Does Anyone Know About The Schematics Of Ampeg Svt Pro4?


You have been successfully registered. Web ampeg svt 4 pro preamp 07s539 schematics. This is the 3 pages manual for ampeg svt 4 pro preamp 07s539 schematics.

You Could Request It If It Is Not.


In the world of high. Web service manuals, schematics, eproms for electrical technicians. Web schematics, service manual, or circuit diagram for ampeg svt4pro schematic £1.80 (~ $2.20 or €2.10) schematics, service manual, or circuit diagram supporting the click on.

Read Or Download The Pdf For Free.


Ampeg svt 4 pro power amp 07s428 schematics: I have a problem with the voltage. Here in spain is 220 and in the usa 120vac.ampeg told me.

This Site Helps You To Save The Earth From Electronic Waste!


Web i have a ampeg svt 4 pro rack head that is having an issue of power amp a side isnt putting out any sound to the cabs neither through speakon or 1/4 inch outputs. Web the 4 schematics used to be up on ampeg/loud's site ampeg : Rev sheet control issue 1 of.