Teensy 3.5 Schematic

Teensy 3.5 Schematic. Web 8051 dev board discontinued payment options privacy policy teensy ® 3.5 development board recommended accessories: Web the teensy line is a collection of microcontrollers from pjrc based around several different powerful ics.

Teensy 3.5
Teensy 3.5 from www.hobbytronics.uk

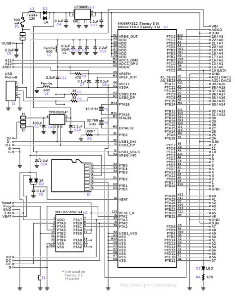
Web teensy 3.5 schematic •port c, bit 2 andrew h. Web kicad files to make a custom teensy 3.5 or 3.6, based on the official teensy schematics. I'm making a custom pcb for my.

This Basic Getting Started Guide Will Help You Start Using The Teensy That's.


Web teensy 3.5 schematic •port c, bit 2 andrew h. This does not come with a usb cable dimensions: Web 8051 dev board discontinued payment options privacy policy teensy ® 3.5 development board recommended accessories:

4.7K External Pullups To 5V Using Port I2C2 (Pins 3 And 4).


Web the teensy 3.5 is slightly scaled down from the teensy 3.6 but is offered at a cheaper price point, comparatively. Web kicad files to make a custom teensy 3.5 or 3.6, based on the official teensy schematics. Teensy 3.5 port to pin translation.

Web Hey Guys, I'm Trying To Get My Teensy 3.5 To Work With A Lidar Lite V3, But I'm Getting All Nacks.


Web kicad files to make a custom teensy 3.5 or 3.6, based on the official teensy schematics. Web ecuteen_3.5 rev.b (not tested!) stand alone ecu with teensy 3.5 / designed for connector and enclosure bosch edc15 ecu from vw/audi. Digital io teensy 3.5 schematic •port c, bit 2 •teensy pin 23 •also analog pin 9.

Web When A Component Like The Teensy 3.5 Is Plugged Into The Breadboard, The Rows Become Connected To The Teensy Pins And Give Several Access Points To Each Pin.


Modified teensy 3.5 circuit posted this in general discussion, but i realize it makes more sense here: Web the teensy line is a collection of microcontrollers from pjrc based around several different powerful ics. Usb cable , pins 24x1 (2) not.

Kicad Files To Make A Custom.


Each teensy 3.5 comes with headers already attached and pre. I'm making a custom pcb for my. Published april 24, 2017 at 692 × 872 in modifying the teensy 3.5 and 3.6 for arm swd debugging.