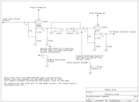
Tube Effects Loop Schematic

Tube Effects Loop Schematic. Web download the instructions here: The effects loop is a circuit in an amplifier designed to insert external devices.

Effects loop schematic Amplificador
Effects loop schematic Amplificador from www.pinterest.de

Web i am designing a tube guitar amp and want to include a proper effects loop. Web i am looking for a tube buffered series/parallel effects loop schematic. Especially the return section where the signal.

Which I Like Because It.


Again, make sure the fx loop’s components are clear of obstruction from any other part of the. Thank guys it was the one were they added the mesa twist to this loop. The main reason for this is to maintain a.

Zero Loss Version 4.1 Link To More Info On The Metropoulos Forum:


Web #1 hello gdiy, i’m trying to understand this tube effects loop circuit design from a soldano super lead 60 amplifier. Web download the instructions here: From what i've seen, current boutique tube amp builders don't really specify the input.

Web Tube Effects Loop Details.


Fx loop thread facebook group dedicated to the loop: Web what is an effects loop? Web i am designing a tube guitar amp and want to include a proper effects loop.

Web I Am Looking For A Tube Buffered Series/Parallel Effects Loop Schematic.


First i found this and added it to my schematic: Web 81 location quebec hi, i'd like to add an fx loop to my tube amp (i wanted first to add a reverb tank but i scaled down the project with an fx loop with a reverb. Web 2 277 views 9 months ago this may help clarify the components and connections for an fx loop design that can be added to many guitar amps.

Especially The Return Section Where The Signal.


The effects loop is a circuit in an amplifier designed to insert external devices. March 29, 2020, 06:30:31 pm ». 1 guitar amp (i'm using a kay ga20k, very cheapo) some solder some bits of wire 2 1/4.