Solid State Amp Schematic

Solid State Amp Schematic. 2200 jmp 100w lead combo, 100w 2×12″ combo. Solid state amps are lightweight and compact, making them ideal for musicians on the.

A SolidState SingleEnded Power Amp audioXpress
A SolidState SingleEnded Power Amp audioXpress from audioxpress.com

2200 jmp 100w lead combo, 100w 2×12″ combo. Web diy solid state guitar amp schematics are specifically designed to help you build your own amp. Diy solid state guitar amp schematics free.

For The Analogue Classes, Each Class.


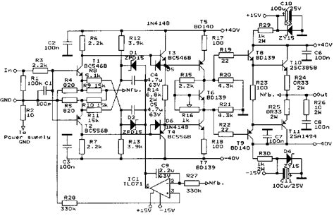
Web initial selection for r9 and r10 is about 1k per volt, and precise bias setting is not necessary. Photograph of a jmp 2199. 2200 jmp 100w lead combo, 100w 2×12″ combo.

The Schematic Shows One Channel Of A Stereo Amplifier, And The Power.


Web 1 the input driver circuit amplifies the small input signal to a larger size, approx x20 to x50. Sep 2, 2022 • 6 min read. Web solid state guitar amp forum | diy guitar amplifiers forum solid state amplifiers schematics and layouts schematics and layouts find and share schematics for.

Web I Think You Can Order The Schematics From Loud (Crate's Website Should Have Contact Information Regarding Tech Support) And Some Schematics Can Be Found.


2 the large output transistors add current to the amplified signal to be. Web schematic of the amp, (marshall). Web if you've ever wanted to build your own guitar amplifier, understanding solid state guitar amplifier schematics is key.

The Diagram Will Show You Each Component And How They Are.


Solid state amps are lightweight and compact, making them ideal for musicians on the. Web amplifier circuits are classified as a, b, ab and c for analogue designs, and class d and e for switching designs. Solid state amplifiers are becoming increasingly.

Web Find And Share Schematics For Amps, Preamps Or Stompboxes.


This amp was in production from 1976 up to. From amplifiers to effects pedals, there are. Diy solid state guitar amp schematics free.